Research on medical solutions for tomorrow – welcome to the intersection of precise research and innovative technologies. Whether applied science projects for important new solutions or exciting foundations for future progress – we create knowledge that works.

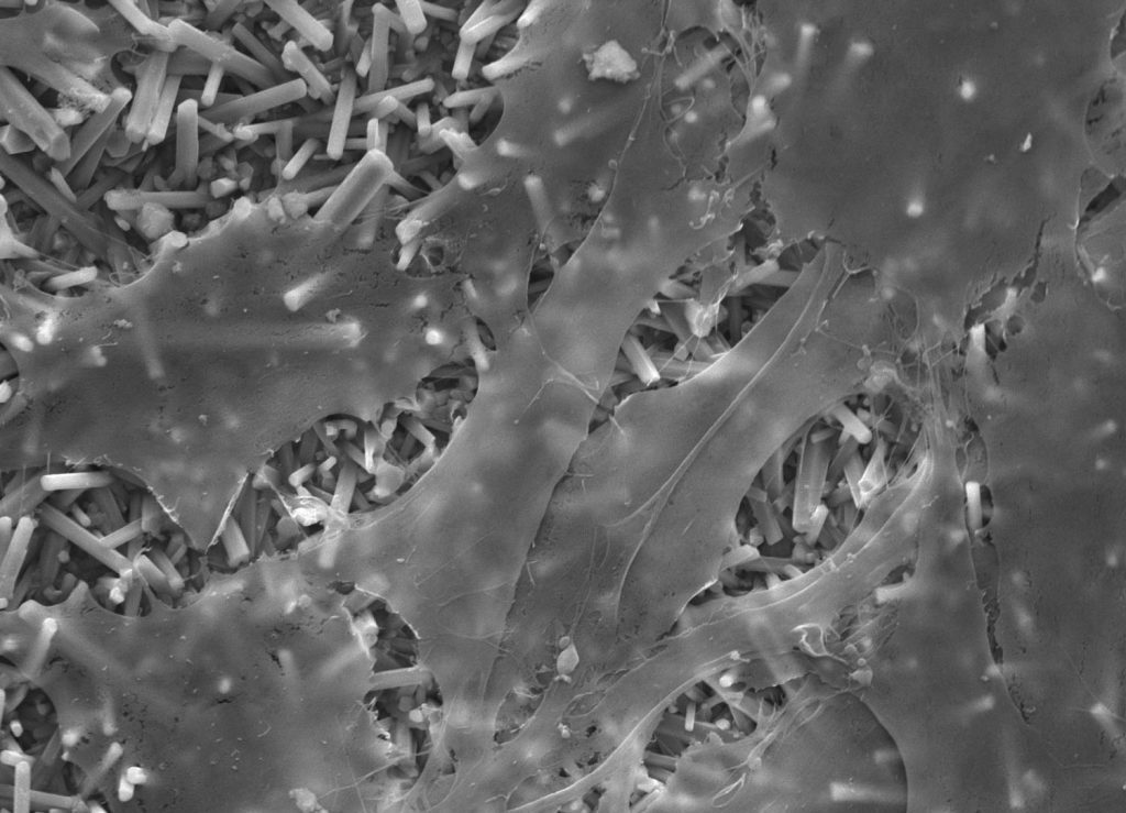
Our research spans a wide range from materials science to cell biology. In the dual institute, materials science and biology work together in one team. In addition to ceramic materials science, we investigate the properties and processing of polymers in additive manufacturing. The main focus is on regenerative implants, for example for bone and cartilage, and their biological systems in in vitro culture. Using bioreactors specially developed by us, we investigate tissue cultures and organoids without animal testing, including cancer research. In our BSL2 laboratory, we conduct research on viruses and bacteria. And pure material systems for ultrasound training and CT phantoms, for example, are also project contents. We work on new additive manufacturing technologies and the integration of augmented reality. For the conversion of medical image data, we develop optimized protocols that lead to improved surgical planning models.
We conduct research for health – not alone, but as part of an efficient network of global partners.
Browse through our projects here or take a look at our list of publications.
